Toyota Corolla Repair Manual Inspection Power Window Control

Toyota Corolla Repair Manual Inspection Power Window Control

Power Window Wiring Diagram 1 Youtube

Power Window Wiring Diagram 1 Youtube

Toyota Camry Power Window Wiring Diagram Diagrams And Wiring

Toyota Camry Power Window Wiring Diagram Diagrams And Wiring

Toyota Corolla Repair Manual Inspection Power Window Control

Toyota Corolla Repair Manual Inspection Power Window Control

Toyota Camry Power Window Wiring Diagram Diagrams And Wiring

Toyota Camry Power Window Wiring Diagram Diagrams And Wiring

Power Window Wiring Diagram Questions Answers With Pictures

Power Window Wiring Diagram Questions Answers With Pictures

Power Window Wiring Diagram Questions Answers With Pictures

214f92e Radio Wiring Diagram Toyota Digital Resources

214f92e Radio Wiring Diagram Toyota Digital Resources

Toyota Corolla Repair Manual Inspection Power Window Control

Toyota Corolla Repair Manual Inspection Power Window Control

D3ea Power Window Wiring Diagram Toyota Corolla Wiring Resources

D3ea Power Window Wiring Diagram Toyota Corolla Wiring Resources

2004 Toyota Rav 4 Wire Diagram Wiring Diagrams Resources

2004 Toyota Rav 4 Wire Diagram Wiring Diagrams Resources

2004 Corolla Air Conditioning Wiring Diagram Rotating Machines

2004 Corolla Air Conditioning Wiring Diagram Rotating Machines

2001 Toyota Tundra Parts Diagram Wiring Schematic E23 Wiring Diagram

2001 Toyota Tundra Parts Diagram Wiring Schematic E23 Wiring Diagram

Toyota Camry Questions Rear Passenger Side Window Not

Toyota Camry Questions Rear Passenger Side Window Not

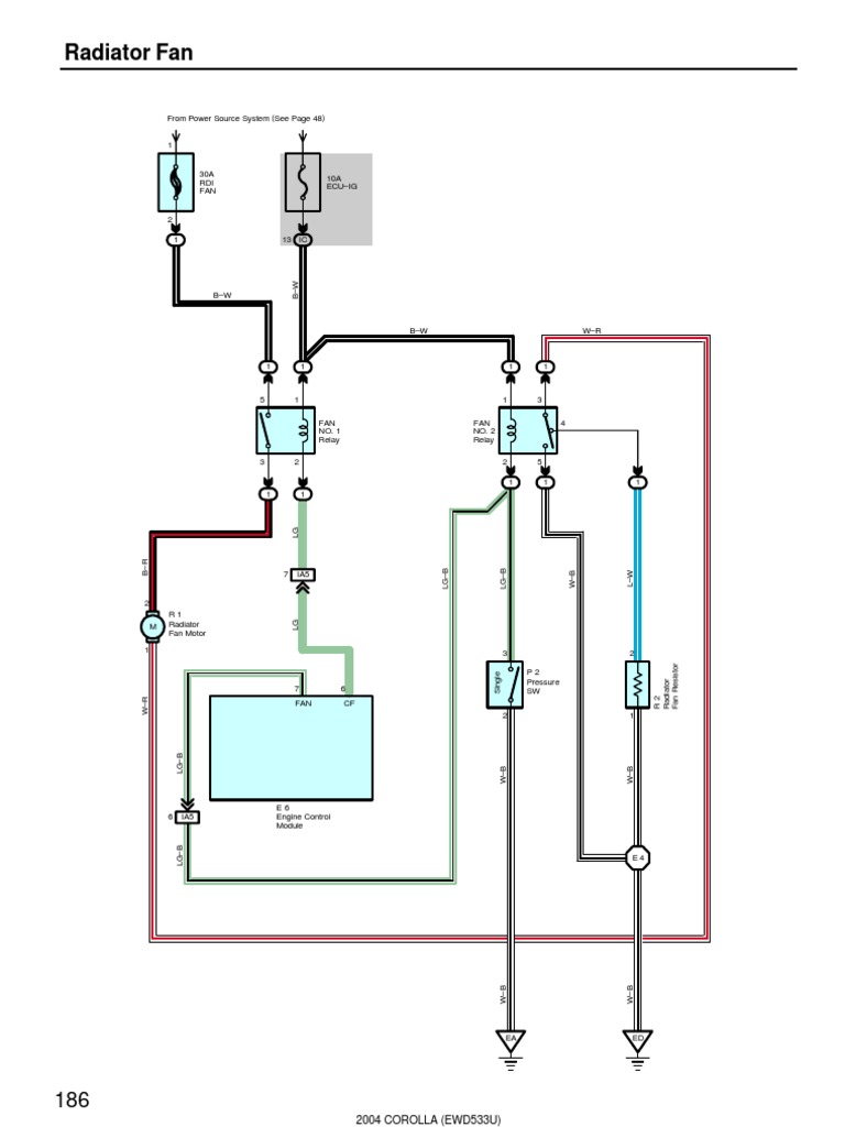
2004 Corolla Electrical Diagram Radiator Fan Electrical

2004 Corolla Electrical Diagram Radiator Fan Electrical

2004 Toyota Corolla Fuse Box Map E27 Wiring Diagram

2004 Toyota Corolla Fuse Box Map E27 Wiring Diagram

2001 Toyota Corolla Power Window Wiring Automotive Wiring And

2001 Toyota Corolla Power Window Wiring Automotive Wiring And

2000 Corolla Wiring Diagram Wiring Diagrams Resources

2000 Corolla Wiring Diagram Wiring Diagrams Resources

Toyota Corolla Questions How Do I Change The Alternator Fuse In

Toyota Corolla Questions How Do I Change The Alternator Fuse In

2005 Toyota Wiring Diagram E26 Wiring Diagram

2005 Toyota Wiring Diagram E26 Wiring Diagram

2004 Ford Excursion Radio Wiring Diagram E26 Wiring Diagram

2004 Ford Excursion Radio Wiring Diagram E26 Wiring Diagram

Source : pinterest.com