Honda Z50j1 Wiring Diagram

Basic wiring diagram monkey bike z50j1 z50ak2 circuit and wiring diagram download for automotive car motorcycle truck audio radio electronic devices home and house appliances published on 06 jun 2014.
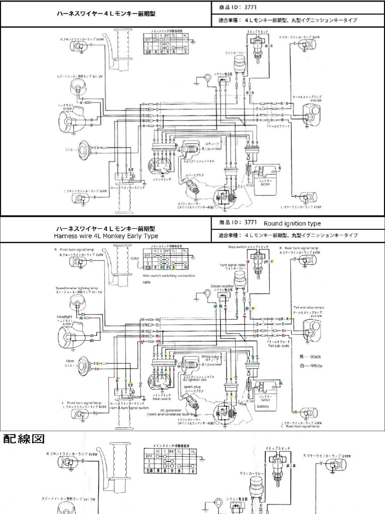
Honda z50j1 wiring diagram. Honda z50 z 50 electrical wiring harness diagram schematic frame up here. View and download honda z50a shop manual online. Example hardwire diagram for cdi. Find six hundred ninety nine parts within these schematic pages with forty three products listed the brake pedal kick arm step dkdmfu parts diagram contains the most products.
Purple is used for gy. For aftermarket cdi wiring see here. These measurements were taken from good spares. Here is a selection of wiring diagrams taken from my collection of manuals that may help get you through your electrical problems.
This schematic depicts all components used in the z50j1 monkey australia wire harness battery ignition coil partsliston this parts fiche the washer spring 6 mm is the most specified component. Attached files z50j1 wiring diagramjpg 611 kb 192 views restoring a z50j1 76 model. Gradient black red cool blue. This wiring diagram will help you to fix or repair your motorcyclethis wiring diagram very easy to read but all of the damages related to your bike based on electrical troubleshoot on your bike.
Z50j1 wiring diagramjpg attached is a basic and simple wiring diagram. Z50a motorcycle pdf manual download. Another fun hardwire diagram for cdi without rectifier. Schematic with points colorized version.
Z50j1 wiring diagramjpg 21st september 2011 1019 pm.