Mazda Bongo Horn Wiring Diagram

Separate sections of the mazda bongo manuals contain.
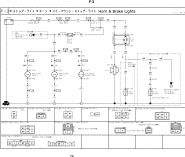
Mazda bongo horn wiring diagram. Mazda workshop manuals mazda owners manuals mazda wiring diagrams mazda sales brochures and general miscellaneous mazda downloads. The vehicles with the most documents are the 2 protege and tribute. Separate sections of the book include the mazda bongo mazda bongo friendee operating instructions maintenance recommendations and car electrical wiring diagrams. Mazda mazda bongo mazda bongo owners manual russian.
Please use the links below to find parts and drawings. The service repair manual is intended for owners of mazda bongo mazda bongo friendee employees of stations and car service workers. The principles of operation and procedures for checking adjusting and maintaining the abs system are discussed in detail. Mazda mazda bongo mazda bongo owners manual russian.
Mazda bongo workshop manual 2008 2008. Our mazda automotive repair manuals are split into five broad categories. I now tried connecting them both to one of the normal relay wires the one marked a on the diagram it still worked however when connected to the one marked c on the diagram it stopped working. Fuses general these pages apply only to pre 2001 bongo vehicles.
Identify the fuses used which circuits are affected by a given fuse which fuse controls a circuit light bulb types. These cars have the bulk of our pdfs for this manufacturer with. Detailed mazda bongo wiring diagrams and descriptions of electrical equipment inspections in various configurations are presented. The horn now worked perfectly when the button is pressed.
Although many part numbers are the same after this date some changed. Mazda bongo wiring diagram 1986 1994. Mazda bongo wiring diagram 1986 1994. Your source for mazda wire information wiring information technical help for your new or used vehicle mazda technical wiring diagrams wire information wirediagram.
Get your hands on the complete mazda factory workshop software. Mazda mazda bongo mazda bongo workshop manual russian. The bongo only uses 9 types of fuse across 3 fuse boxes and one fusible link for diesel engine types. Calummacneil0 wrotehas anyone got some advice on my horn not working at all from either buttons on steering wheel.
Operating instructions recommendations for maintenance and electrical equipment. Select a tab along the top of this section to. Have checked all fuses relays that i can see and all seem to be fine connected horn straight to 12 v supply ant it works perfectly. The fuel pump is.
Many good image inspirations on our internet are the most effective image selection for mazda bongo engine diagram. Provided as a free service. Connecting them separately to a and c resulted in it no longer working too. Mazda bongo friendee parts pages.