Mercedes Benz Wiring Diagrams

The assembly was carried out at the davutpasa plant in istanbul.
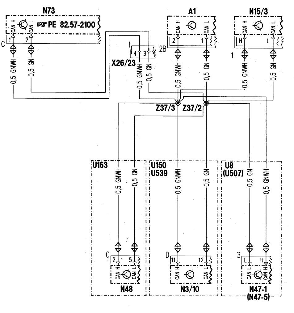
Mercedes benz wiring diagrams. Variety of mercedes benz wiring diagram. Mercedes benz omnibusse has been producing buses since 1895 in mannheim germany. This is a complete database of mercedes benz wiring diagrams. Some mercedes trucks service manuals pdf electric wiring diagrams actros atego arocs axor sprinter unimog zetros mb100 207 208 210 307 308 310 408 410d om 460 above the page.
1967 on the shores of the bosphorus founded the otomosan company for the production of buses. Mercedes benz w210 wiring diagrams 1995 2001 w210 starter and generator engines 104 111 604 605 606 wiring diagram w210 speed signal of the front axle ges engines 104 111 602 604 605 606 schematics. Alldatas wiring diagram schematics are taken directly from original equipment manufacturer oem service manuals and made interactive for ease of use. The production volumes were constantly growing and the modest.
You will find wiring diagrams for almost all systems on your mercedes benz including. In 1926 the two oldest german automobile companies merged daimler motoren gesellschaft from stuttgart and benz und cie. Mercedes benz also broke a number of speed records including the barrier of 200 km h was probably most notable for its time. Mercedes benz sprinter pdf owners manuals service manuals workshop and repair manuals wiring diagrams parts catalogue fault codes free download.
You can purchase access to the mercedes benz data in one or five year. Wiring diagrams spare parts catalogue fault codes free download workshop and repair manuals service owners manual. It reveals the parts of the circuit as streamlined forms and also the power as well as signal links between the devices. A car that could reach such a speed that in 1909 seemed invented has become a model of lightning.
Mercedes benz service manuals wiring diagrams. Body brakes driveline electrical distribution engine hvac interior lighting restraints steering suspension transmission warning systems. Mercedes benz car manuals pdf wiring diagrams above the page. As a result the world famous daimler benz ag concern was born.