Subaru Legacy Sensor Wiring Diagram

This manual includes the procedures for maintenance disassembling reas sembling inspection and adjustment of components and diagnostics for guid ance.
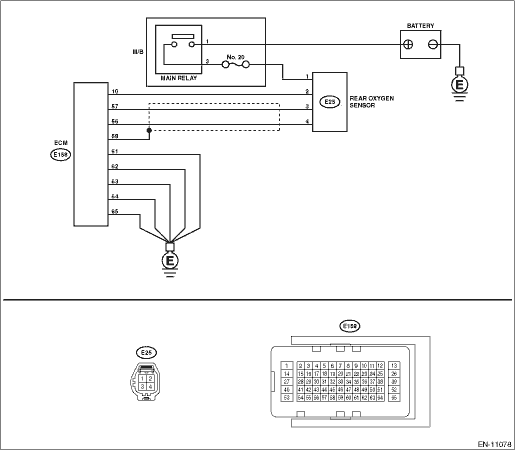
Subaru legacy sensor wiring diagram. Install subaru engine 6b. This is a collection of wiring diagrams and ecu pinouts we have been given or have come across. Subaru car manuals pdf wiring diagrams above the page. Final elements aircooled vanagon.
Cars are by no means the only sphere of fhi activity. Install subaru engine 7. 2004 year engine section 1. To view almost all images inside cam sensor wiring diagram for a 03 wrx graphics gallery you should stick to this kind of hyperlink.
That image cannot get my legacy gt to run p0336 need serious help subaru previously mentioned will be labelled together with. The company started its activity in 1917 in japan as the aircraft research laboratory but soon switched to the production of aircraft. Legacy automobile pdf manual download. 2004 legacy service manual quick reference index wiring system section this service manual has been prepared to provide subaru service personnel with the necessary information and data for the correct maintenance and repair of subaru vehicles.
Except for them fhi deals with aviation equipment railway transport shipbuilding etc. You may use them at your own risk and should be confirmed by subaru before using. Subaru is an automotive brand of a large industrial concern fuji heavy industries ltd. Remove wiring harness 3.
Wiring harness conversion subaru engine conversion info resources subaruvanagon convert to subaru. The history of the concern thanks to which the brand subaru appeared began in 1917. Page 1 2004 legacy service manual quick reference index chassis section front suspension rear suspension wheel and tire system differentials this service manual has been prepared to provide subaru service personnel transfer case with the necessary information and data for the correct maintenance and repair of subaru vehicles. Subaru engine prep 6a.
View and download subaru legacy service manual online. Put up by simply wiringforums at august 28 2017. They are gathered here as reference page to look at when you need wiring help.