Car Wiring Diagrams
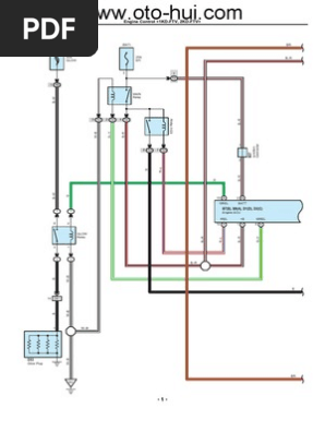
Toyota 2kd Ecu Wiring Diagram Pdf
2016 dodge trailer plug wiring diagram
2016 mercedes sprinter radio wiring diagram
2017 jeep wrangler tail light wiring diagram
2017 ford transit radio wiring diagram
2016 ford super duty upfitter switch wiring diagram
2016 chevy silverado trailer wiring diagram
2017 mitsubishi outlander sport radio wiring diagram
2018 dodge ram trailer plug wiring diagram
Wiring Diagram Ecu 2kd Ftv Pdf Document
Wiring Diagram Ecu 2kd Ftv Pdf Document
Wiring Diagram Ecu 2kd Ftv Throttle Systems Engineering
Diagram Ecu 2kd Ftv Throttle Propulsion
Manual De Servicio Toyota Kijyang Innova Onnova 1kd 2kd
Wiring Diagram Ecu 2kd Ftv Pdf Document
Conectores 2tr Fe Throttle Ignition System
Conectores 2tr Fe Throttle Ignition System
2006 Toyota Hiace Electrical Wiring Diagrams Pdf Toyota Hiace
Manual De Servicio Toyota Kijyang Innova Onnova 1kd 2kd
Toyota Hilux Revo Wiring Engine Toyota Kd Engine 1kd Ftv 2kd Ftv
Wiring Diagram Ecu 2kd Ftv Throttle Systems Engineering
Toyota Van Wiring Diagram E26 Wiring Diagram
Wiring Diagram Ecu 2kd Ftv Pdf Document
Manual De Servicio Toyota Kijyang Innova Onnova 1kd 2kd
55995949 Wiring Diagram Ecu 2kd Ftv Throttle Systems Engineering
Toyota Hilux Hiace Wiring Diagram دفيرة الكهرباء لتويوتا هايلوكس
2
Toyota Ecu Wiring Diagrams Wiring Diagrams Resources
561c2ce Wiring Diagram Ecu Toyota Vios Wiring Resources
Source :
pinterest.com
Random Posts
Radio Wiring Diagram For 2011 Jeep Wrangler
Radio Wiring Diagram Jeep Liberty 2006
Radio Wiring Diagram For 96 Jeep Cherokee
Ram 1500 Dodge Ram Ignition Switch Wiring Diagram
Radio Wiring Ford 6000 Cd Wiring Diagram
Radio Wiring Diagram For 2006 Dodge Ram
Raider 150 Newbreed Cdi Wiring Diagram
Radio Wiring Diagram For 2007 Honda Civic
Radio Wiring Diagram For 2005 Chevy Trailblazer
Radio Wiring Diagram For A 92 Honda Accord
Radio Wiring Diagram For 95 Jeep Wrangler
Radio Wiring Diagram Mitsubishi Galant 2001
Radio Wiring Diagram For 2002 Mitsubishi Eclipse
Radio Wiring Diagram Honda Accord 1996
Radio Wiring Diagram For 2003 Chevy Avalanche
Radio Wiring Toyota Hilux Stereo Wiring Diagram
Radio Wiring Diagram For A 94 Ford Ranger
Raider 150 Cdi Wiring Diagram
Radio Wiring Diagram Jeep Cherokee 2004
Radio Wiring Diagram For 2007 Ford Focus