Toyota Hiace Wiring Diagram Pdf

Toyota hiace sales brochure 1994 2003.
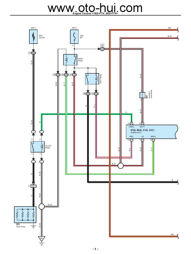
Toyota hiace wiring diagram pdf. Hiace abs wiring diagram. Get your hands on the complete toyota factory workshop software 999 download now. Toyota hiace parts catalogue 2012 2012. Toyota hiace electrical wiring diagram manual pdf download1985 2013go to download full manualgeneral information engine mechanical engine lubrication system slideshare uses cookies to improve functionality and performance and to provide you with relevant advertising.
Click here if you want to visit our forum. Third generation cars were produced from 1982 to 1989. Workshop and repair manuals service owners manual. Toyota hiace second generation produced from 1977 to 1982.
Toyota hiace electrical wiring diagram free toyota hiace electrical wiring diagram free language. This manual contains circuit diagrams of each electrical system wiring route diagrams and diagrams showing the location of each elect. Toyota hi ace pdf workshop and repair manuals wiring diagrams spare parts catalogue fault codes free download toyota service manuals toyota hiace 1989 2001 service manual toyota hiace 1995 1999 repair manual toyota hiace 1995 1999 wiring diagram toyota hiace 2006 electrical wiring diagram toyota hiace regius 1995 2006 service manuals repair manuals for toyota hi ace with diesel engines 2l. Firstly its illegal and secondly.
Toyota hiace body repair manual for collision damage. We get a lot of people coming to the site looking to get themselves a free toyota hiace haynes manual. Toyota hiace brakes and suspension pdf. Toyota hiace miscellaneous.
60 mb manuals lists. Check out our popular toyota hiace manuals below. Hilux automobile pdf manual download. We will get in touch to you as soon as posible.
Wiring diagrams spare parts catalogue fault codes free download. View and download toyota hilux electrical wiring diagram online. There are two things you need to know. Connector ewd079e ewd138e ewd209e ewd255e ewd297e ewd365e sb020w sb037w sb070w sb082w sb100w.
Some toyota hiace wiring diagrams are above the page. First generation toyota hiace commercial vehicles were produced from 1967 to 1977. Looking for a free toyota hiace haynes toyota hiace chilton manuals. Toyota hiace electrical wiring diagram updated.