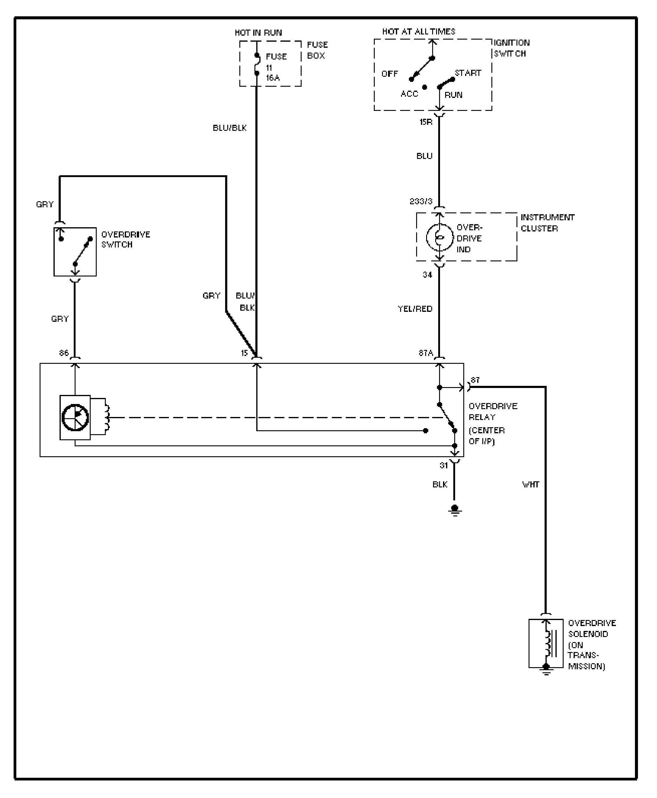
Volvo 240 Overdrive Wiring Diagram

This relay controls the transmissions.
Volvo 240 overdrive wiring diagram. Remember to take all necessary safety precautions when working on your car. Volvo 240 instrument cluster and gauge wiring below i have compiled 240 instrument cluster wiring for several different years. Volvotips has the exclusive courtesy of volvo car corporation and volvo cars heritage to publish the volvo greenbooks service manual parts catalogs and other volvo material and publications. If you guys need any.
Volvo 240 260 1982 wiring diagram. Read online wiring diagram engine volvo 240 wiring diagram engine volvo 240 volvo 240 engine wiring harness rebuild howto atthatwhitevolvo hello everyone. If your car drops out. Volvo 240 and 260 wiring diagrams.
Most are volvo documents. 240 volvo overdrive wiring m46 vs aw7071 home. Ignore all posts there have been many posts here on failure of the 240 a7071 automatic transmission overdrive electrical circuit some of them quite bitter and competitive check the archives. Im making a new engine wiring harness for my volvo 240.
Volvo 240 260 service repair manual. Volvo 240 1976 wiring diagram. 1995 volvo 850 starter bosch wiring diagram. If youre converting an instrument cluster to fit a different year than intended pay strict attention to any pins that have changed.
Posted by roger d. This is a short overview of when i had to replace the overdrive relay in my 1992 volvo 240 station wagon automatic transmission. Volvo 240 1975 wiring diagram. This video is all about wiring.
2004 volvo s40 04 v50 electrical wiring diagram tp 3974202rar. Volvo s80 wiring diagram. Im going to try to help some poor souls by writing to this board. Rear axle power train transmissions.
Volvo 240 service manual wiring diagrams owners manual english. Scott on fri jan 16 0207 cst 2004 author. Bosch air mass flow sensor maf overview datasheet for volvo 240 and 260 fuel injection systems. This is the service manual of the volvo 200 series volvo 240 and 260.
The pages linked below contain technical data and help for the service and maintenance of various volvo cars. Volvo 240 automatic transmission overdrive circuit spell checked. Volvo 240 260 service manual section 4. Click here for the index of the full service repair manual.
Volvo 240 260 1980 wiring diagram. This group contains the volvo 240 260 service repair manuals of the rear axle driveshaft and manual. 2005 volvo s40 04 v50 wiring diagram supplement tp 3984202rar.