Volvo C70 Wiring Diagram Pdf

Volvo c70 manuals manuals and user guides for volvo c70.
Volvo c70 wiring diagram pdf. 1999 2000 volvo c70 s70 v70 wiring diagrams service manual volvo 1994 2005 workshop electrical wiring diagram ewd manual complete informative for diy repair volvo c70 s70 v70 1999 to 2000 wiring diagrams. We have 40 volvo c70 manuals available for free pdf download. View and download volvo v70 wiring diagram online. View and download volvo c30 wiring diagram online.
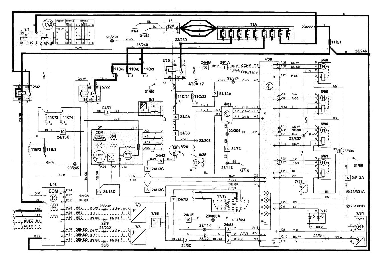
Early design 2000 c70 automobile pdf manual download. With this volvo c70 workshop manual you can perform every job that could be done by volvo garages and mechanics from. 1998 english 1999 volvo c70 s70 v70 wiring diagrams service manualpdf tp 3938202 1999 english 2000 volvo c70 s70 v70 wiring diagrams service manualpdf tp 3943202 2000. 12v schematic volvo product schematics 22622040 03 1 2 1 106 wiring diagram index name description page aa power distribution frc 3 ab power distribution frc 4 ac power supply circuit protection 34 ef 5 ad power supply circuit protection 44 ef 6 ae grounding 7 af starting and charging 8 ag vehicle ecu 14 ems power control 9 ah vehicle ecu 24 10 ai vehicle ecu 34 11 aj vehicle.
Volvo c70 2006 2011 electrical wiring diagrams english electrical wiring diagrams to volvo c70 2006 2011contentstable of contents 13 table of conte. C30 automobile pdf manual download. This webpage contains volvo c70 2006 06 wiring diagram tp 3992202 pdf used by volvo garages auto repair shops volvo dealerships and home mechanics. Xc70 v70r xc90 2005 v70 2005 v70r 2005 xc70 2005 xc90.
English 1998 volvo c70 convertible wiring diagrams service manualpdf fault tracing repairs maintenance. Wiring diagram owners manual operating manual brochure specs brochure quick manual installation instructions accessories pricing and specification manual technical specifications specifications. V70 automobile pdf manual download. View and download volvo early design 2000 c70 wiring diagram online.