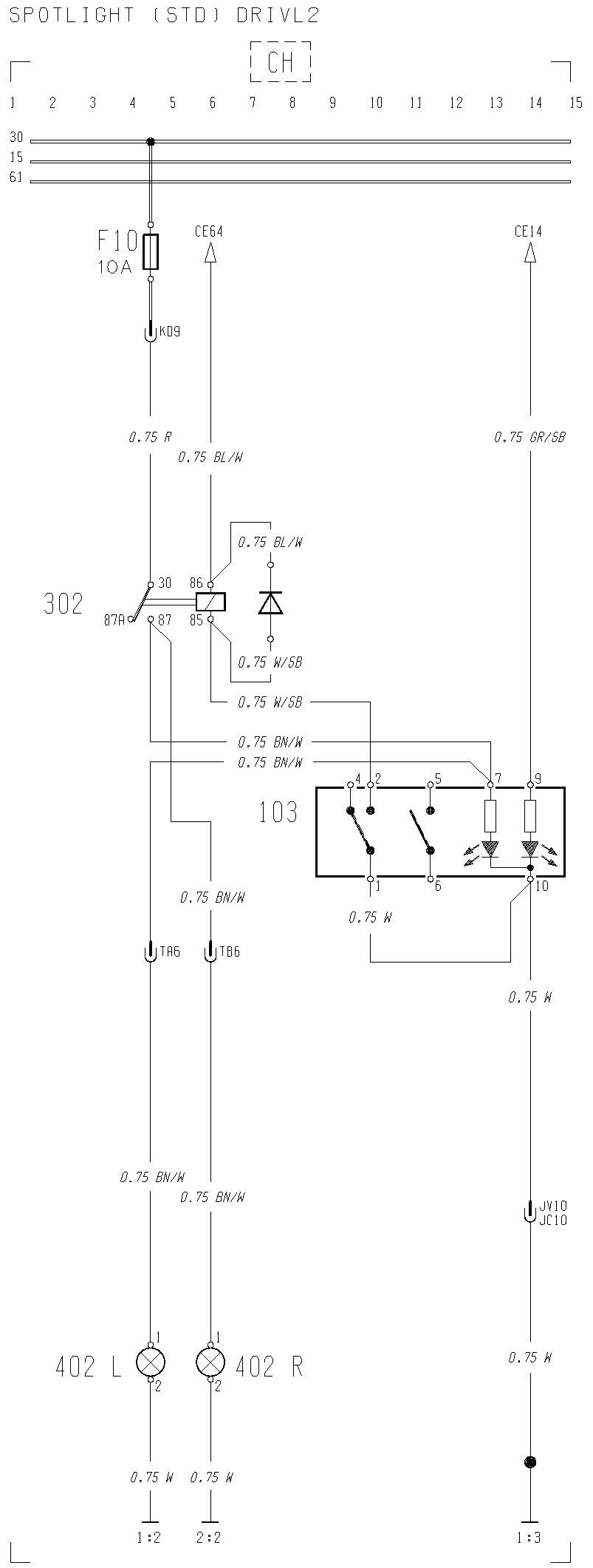
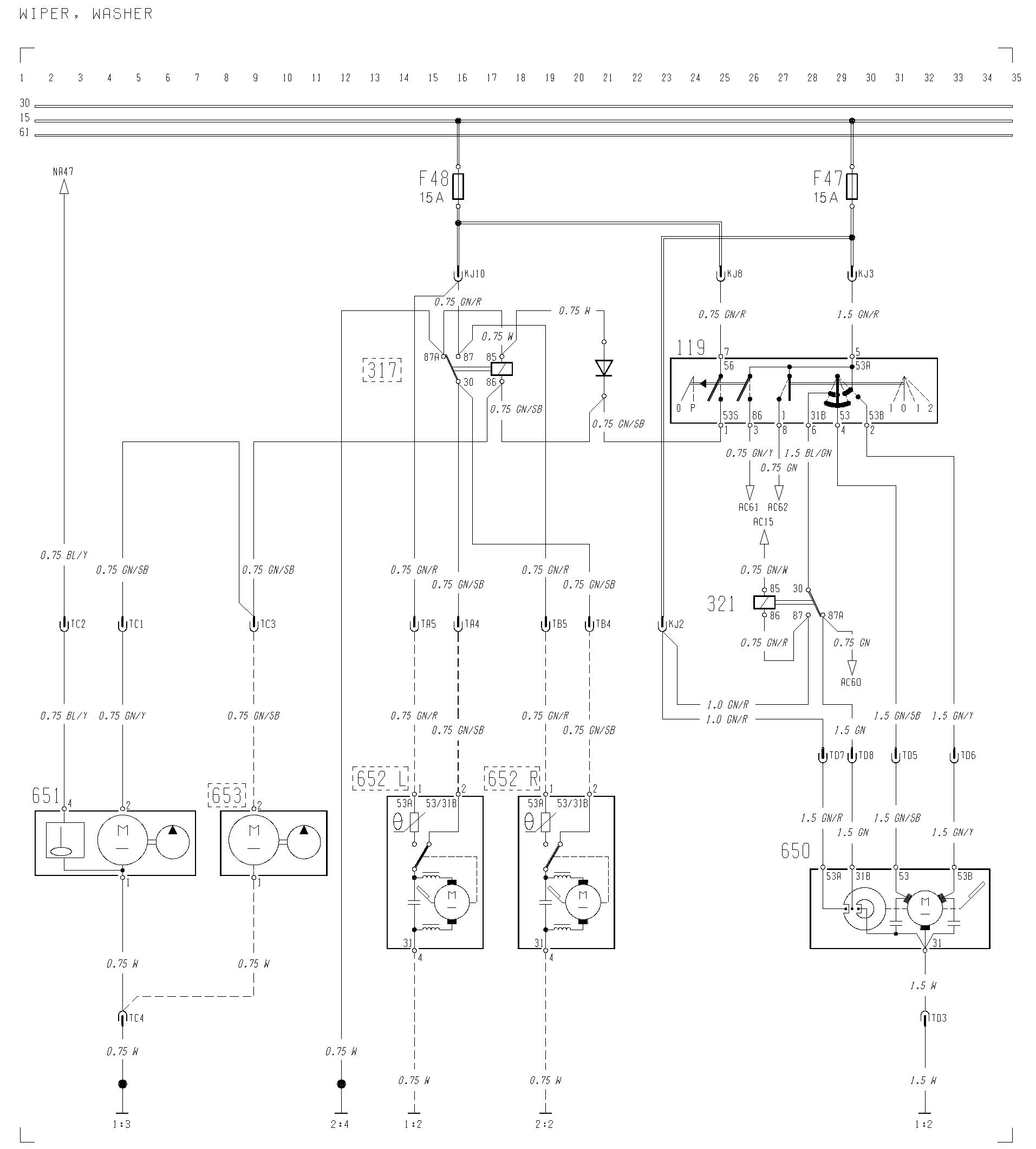
Volvo F12 Wiring Diagram

F12 magneto wiring schematic mar 20 2010 the panhead flathead site.
Volvo f12 wiring diagram. I found this on line and can not make scents out off how the wiring works on this magneto. Volvo f12 f16 wiring diagram waterseparator heater year of production. Terminal and harness assignments for individual connectors will vary depending on vehicle equipment level model and market. 3 3 upvotes mark this document as useful 0 0 downvotes mark this document as not useful embed.
Search inside document. 1948 wiring diagram 1948 wiring routing 1949 1954 wiring diagram 1949 1958 74 click here font b volvo truck wiring diagrams. Jump to page. Some volvo trucks tractors manuals pdf electric wiring diagrams f86 fb86 n86 nb86 f88 fb88 g88 fh12 fh16 fm fl nh vhd vn vt vnm l50f l120f l150f l220f vnl are above the page.
I can not see all the wiring going to the plugs or how they are hooked up. Volvo trucks corporation bwas founded in 1920 as the automobile branch of the famous skf bearing company. 1 2 component witing. You are on page 1 of 142.
Save save volvo f10 f12 f16 lhd wiring diagrampdf for later. Volvo f12 f16lhd wiring diagram trucks service manual tsp 119544 volvo f12 f16lhd wiring diagram trucks service manual tsp 119544 size. Service manual trucks group 37 wiring diagram f10 f12 fi6 lhd tsp 236881 contents component wiring diagram index.