Volvo S60 Seat Wiring Diagram

Gmc yukon 2003 2004 fuse box diagram.
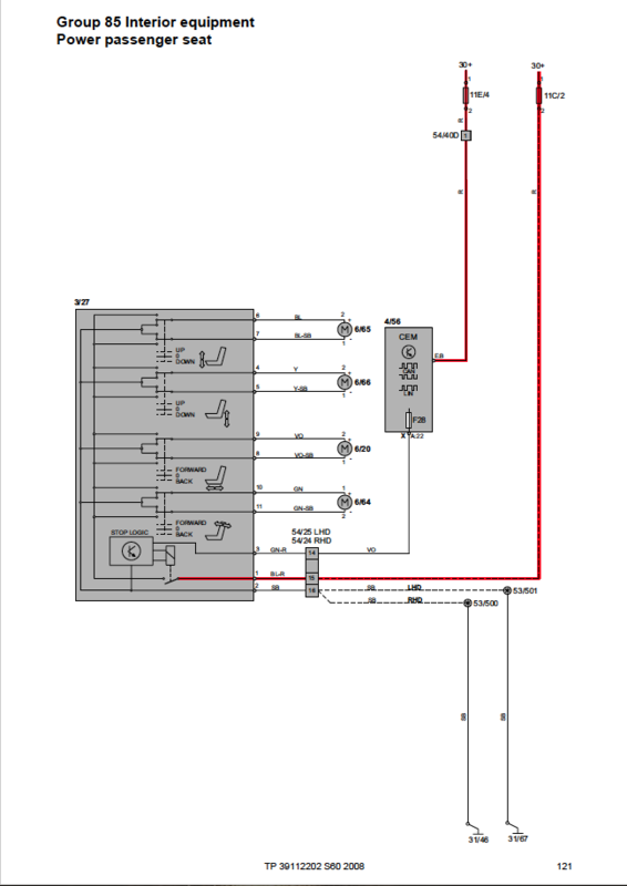
Volvo s60 seat wiring diagram. View and download volvo xc90 premier wiring diagram online. The brake control unit plugs into the 7 way at the rear of your vehicle and provides a port for plugging in your 7 way trailer connector. Gmc sierra mk1 2005 fuse box diagram. Engine info b5202s 1984cc10.
Instrument panel fuse block gmc yukon fuse box instrument panel. At this time of the year rarely a week goes by that we dont get a call from someone saying that their remote car starter stopped working. Moderator please pin this post. Just download the echo smart control app on your apple or android smart device and follow the in app instructions.
Comment2 nba arena music imvyn free video and music downloaders katamari overture sheet music iynyci untuned percussion free sheet music online 0496 music brokers phoenix hkdli how music therapy works 434 handle messiah sheet music free 546215 music in education 078 find christian music mp3 free downloads tui car seat. Nearly every call is the result of one of the situations below and is easily solved. People from other forums please link to this thread instead of copying the content. Volvo 850 list of diagnostic trouble codes dtc i found this on the net formatted andresampled it for lower bandwidth consumption.
To start the ignition key must be in position ii engine not running. Styrenhet foer ett fordon eller ecu electronic control unit aer en elektronikbox inbyggt system med hardvara och programvara som styr ett eller flera funktionsomraden i ett fordonsyftena aer att dels erbjuda fler och baettre funktioner foer anvaendarna av fordonen och dels att reducera kablarna sa att kostnaderna minskar och driftsaekerheten oekar. With no wiring modules or knobs to install setting up the curt echo is a breeze. The fuse block access door is on the drivers side edge of the instrument panel.
Xc90 premier automobile pdf manual download. How to get clear and understand volvo diagnostic codes on 1992 1995 volvos.