Wiring Diagram Suzuki Txr 150

11955 likes 21 talking about this.
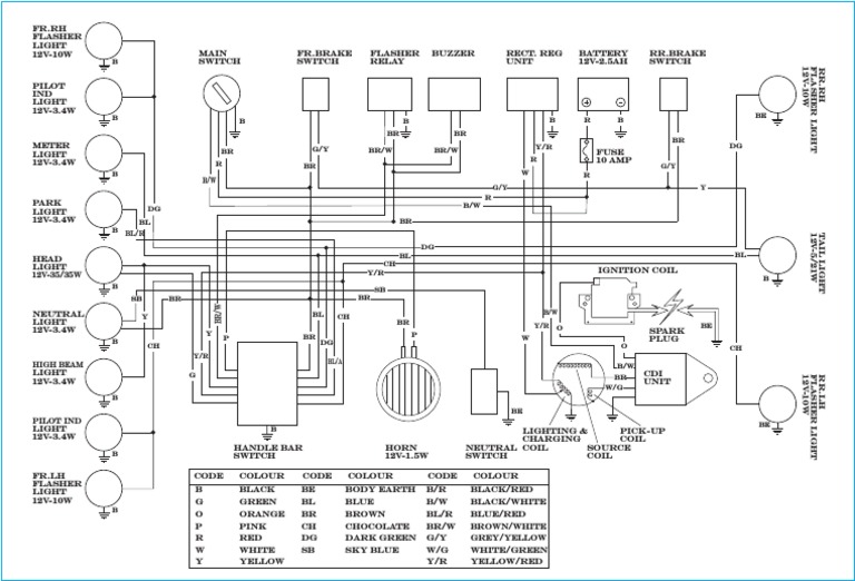
Wiring diagram suzuki txr 150. Front and rear tamper ac wiring must be in conduit and exit protection included out the. 1996 suzuki sidekick wiring diagrams circuit and wiring diagram download for automotive car motorcycle truck audio radio electronic devices home and house appliances published on 15 mar 2014. Spesisfikasi txr panther 150. Suzuki dr650 dr 650 se electrical wiring harness diagram schematics here.
A brief description of each module follows in section 33. Suzuki dl650 dl 650 k7 electrical wiring diagram schematics here. Suzuki dl1000 v strom dl 1000 electrical wiring harness diagram schematic here. Suzuki outboard wiring tohatsu outboard wiring yamaha outboard wiring related links enter the forums suzuki forum directory suzuki outboard forums suzuki outboard parts suzuki outboard manuals suzuki outboard props suzuki outboard discussions 2 stroke 4 stroke charging bracket cable carburetor cold compression control cooling cowling crankshaft cylinder dies exhaust flywheel fuel fuel pump gas.
General information foreword group index this manual contains an introductory description of the suzuki df150175 outboard motors and pro cedures for inspection service and overhaul of their general information main components. Wiring diagram system components system components wiring diagram the xr150xr550 series diagram below shows some of the accessory modules you can connect for use in various applications. Find a deal on 150 hp yamaha outboard parts. These parts are relevant for f150txr 0405 yamaha boat motors.
Page 1 pre production issue. Suzuki motorcycle manuals pdf wiring diagrams download free bandit burgman dl gr fa fx haybusa intruder marauder pe raider svt500 v storm volusia vl. Suzuki outboard tachometer wiring diagram download. Suzuki df150 pdf user manuals.
We have parts diagrams great deals and free shipping on qualifying orders. Suzuki fxr150 fxr 150 electrical wiring harness diagram. Suzuki fa50 fa 50 electrical wiring harness diagram schematics here. View online or download suzuki df150 owners manual.
Suzuki tachometer wiring wire center.