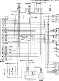
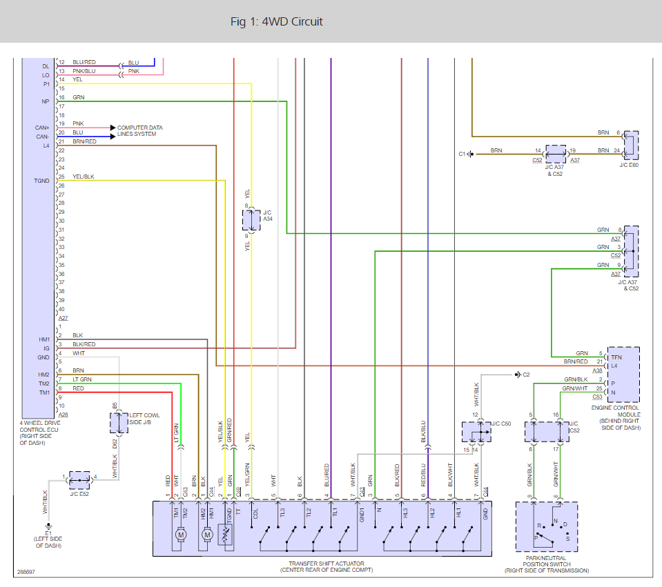
Wiring Diagram Toyota Land Cruiser 2012

Wiring diagrams toyota land cruiser 1989 cooling fan wiring diagrams here some wiring diagrams for toyota land cruiser 1989 herein you will get detailed description of electronic parts of the cooling fan system which include battery fusible link fuse ignition switch cooling fan motor relay manifold temperature sensor fan motor ignition relay and cooling fan relay connector cooling.
Wiring diagram toyota land cruiser 2012. Installation guide for webasto on toyota land cruiser since 2007 guide to installing a liquid preheating heater brand webasto for the toyota land cruiser 200 from 2007 model year with a diesel engine and a left hand drive. Toyota land cruiser 1998 1999 2000 2001 2002 2003 2004 2005 2006 2007 electrical wiring diagram service manual download page. Toyota land cruiser lj70 ewd168f electrical wiring diagram. In the american market the car is also offered with a 57 liter gasoline engine 386 hp.
Toyota land cruiser pdf workshop and repair manuals wiring diagrams spare parts catalogue fault codes free download toyota land cruiser 1998 2007 automatic transmission service manual toyota land cruiser 1998 2007 gasr series engine mechanical service manual toyota land cruiser 1998 2007 body mechanical service manual toyota land cruiser 1998 2007 body repair manual toyota land. Toyota land cruiser 200 has been in production since 2008 in japan. Toyota land cruiser hj60 electrical wiring diagram. 0701 fzj71 76 78.
Until 2012 cars with a 47 liter gasoline engine 288 hp and five speed automatic machines were delivered to our market. Toyota land cruiser pdf user manuals. Toyota land cruiser prado 90 electrical wiring diagram. View online or download toyota land cruiser owners manual.
Toyota land cruiser prado 120 electrical wiring diagram.