Yamaha 90 2 Stroke Wiring Diagram

Yamaha Wiring Harness Diagram Wiring Diagrams Table

Yamaha Wiring Harness Diagram Wiring Diagrams Table

I Have A 1997 Yamaha 70 Hp Two Stroke Motor Which I Have Just Put

I Have A 1997 Yamaha 70 Hp Two Stroke Motor Which I Have Just Put

Yamaha 90 Hp 2 Stroke Wiring Diagram

Yamaha 90 Hp 2 Stroke Wiring Diagram

Yamaha Outboard Throttle Wiring Wiring Diagrams Resources

Yamaha Outboard Throttle Wiring Wiring Diagrams Resources

Yamaha 90 Two Stroke Battery Cables Connect To The Hull Truth

Yamaha 90 Two Stroke Battery Cables Connect To The Hull Truth

96 Evinrude Wiring Diagram E26 Wiring Diagram

96 Evinrude Wiring Diagram E26 Wiring Diagram

96 Evinrude Wiring Diagram E26 Wiring Diagram

A yamaha 90hp repair manual is documentation explicitly written for one to use while performing simple maintenance or extensive repairs on ones outboard motor.

Yamaha 90 2 stroke wiring diagram. Yamaha outboard wiring diagram inspirational yamaha 703 remote. This is a image galleries about yamaha 90 outboard wiring diagramyou can also find other images like wiring diagram parts diagram replacement parts electrical diagram repair manuals engine diagram engine scheme wiring harness fuse box vacuum diagram timing belt timing chain brakes diagram transmission diagram and engine problems. Yamaha outboard wiring diagram wire center. Yamaha outboard wiring diagram pdf collections of johnson outboard wiring diagram pdf wiring diagram collection.

Yamaha outboard wiring diagram lovely technical information. Visit the post for more. In general it is a book of instructions that can aid in repair. Johnson outboard wiring diagram pdf wiring diagram collection.

Yamaha outboard wiring diagram awesome tohatsu 30hp wiring diagram. Ive checked resistance at the trim sender and i get 8 ohms when down and 180 ohms when raised. Johnson outboard wiring diagram diagramsjohnson mercury 90 2 stroke wiring diagram www casei store u2022yamaha hp yamaha 90 hp 2 stroke wiring diagram four yamaha outboard wiring harness index listing of diagrams rh l2zla40p 60minuta info 90. Yamaha outboard ignition switch wiring diagram luxury 70 evinrude.

Visit the post for more. Yamaha outboard ignition switch wiring diagram collections of yamaha outboard wiring diagram new. Ive got a 2004 yamaha 90 hp 2 stroke and the trim indicator stays at the bottom of the trim gauge on the digital tach. Since there are no fees and no employee to answer your questions instant response is not likely to happen.

Yamaha outboard wiring diagram inspirational yamaha 703 remote. Yellow goes hot with the switchred is hot all of the time blue goes hot with the switch light blue is trim up light green is trim down black is ground. Yamaha 90 2 stroke wiring yes it does. Wiring harness diagram evinrude outboard ignition wiring diagram.

70 hp yamaha 2 stroke wiring diagram inspirational outboard70 picture of troubleshooting testing and bypassing spdt power trim tilt relays for boats fixing a yamaha 90hp 2 stroke outboard motor boat motor diagrams wiring diagram lg 90 yamaha hp. Yamaha outboard wiring diagram pdf gallery yamaha 9 9 4 stroke wiring diagram auto electrical wiring diagram. The yamaha 90hp manual can be used in learning how to perform repair and maintenance to a boat. Mercruiser 5 0 wiring diagram ford 20 12 danishfashion mode de u2022 rh image is loading yamaha outboard oem cdi unit 90tlr 2 stroke 1970 mustang coupe wiring diagram database1972 ford fuse box best part of 97 f350 stereo wiring diagram diagramford radio 2001 e350 1998 expedition and 2006.

90 Mercury Outboard Wiring Diagram Wiring Diagrams Table

90 Mercury Outboard Wiring Diagram Wiring Diagrams Table

Yamaha 40hp 2 Stroke Wiring Diagram E24 Wiring Diagram

Yamaha 40hp 2 Stroke Wiring Diagram E24 Wiring Diagram

2 Stroke Ignition Diagram E26 Wiring Diagram

2 Stroke Ignition Diagram E26 Wiring Diagram

40 Hp Yamaha Wiring Diagram E23 Wiring Diagram

40 Hp Yamaha Wiring Diagram E23 Wiring Diagram

E790240 70 Hp Yamaha Wiring Diagram Wiring Resources

E790240 70 Hp Yamaha Wiring Diagram Wiring Resources

Yamaha 40 Hp Wiring Diagram E23 Wiring Diagram

Yamaha 40 Hp Wiring Diagram E23 Wiring Diagram

Yamaha Outboard Wire Diagram E26 Wiring Diagram

Yamaha Outboard Wire Diagram E26 Wiring Diagram

39483c Mariner 25 Hp Wiring Diagram Wiring Library

39483c Mariner 25 Hp Wiring Diagram Wiring Library

Yamaha Outboard Wire Diagram E26 Wiring Diagram

Yamaha Outboard Wire Diagram E26 Wiring Diagram

Mx 6534 Mercury 25hp Efi Fuse Box Diagram

Mx 6534 Mercury 25hp Efi Fuse Box Diagram

Yamaha 40 Hp Wiring Diagram E23 Wiring Diagram

Yamaha 40 Hp Wiring Diagram E23 Wiring Diagram

Fixing A Yamaha 90hp 2 Stroke Outboard Motor Youtube

Fixing A Yamaha 90hp 2 Stroke Outboard Motor Youtube

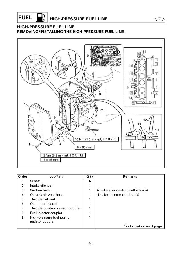
Yamaha 90 Aeto 90tr B90tr Outboard Service Repair Manual X 856313

Yamaha 90 Aeto 90tr B90tr Outboard Service Repair Manual X 856313

Yamaha Outboard Throttle Wiring Wiring Diagrams Resources

Yamaha Outboard Throttle Wiring Wiring Diagrams Resources

Source : pinterest.com