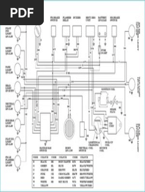
Yamaha Rx 100 Headlight Wiring

1929 air compressor restoration restored to new condition i didnt think it would run duration.
Yamaha rx 100 headlight wiring. Yamaha rx 100135 wiring explained in details diy duration. Yamaha rx 135 modification project complete wiring guide part 2 duration. Find yamaha rx100 wiring diagram circuit and wiring diagram yamaha rx100 wiring diagram diagram for circuit and wiring. Rx 100 28899.
Rx 100 custom headlight yamaha rx100 modification part 2 duration. Yamaha rx 100 with digital meter duration. Yamaha rx 100 led headlight change headlight assembly re modeling duration. Yamaha rx 100 fuel tank painting in white colour base coat clear coat in hindi thesampawar duration.
The sam pawar 49936 views. Yamaha rx 100 rx 135 dome change along with h4 bulb conversion using a dcm toyota reflector. Find yamaha rx 100 wiring diagram circuit and wiring diagram yamaha rx 100 wiring diagram diagram for circuit and wiring. This video is intended to be a diy guide for people to do wiring fixes and rewiring their yamaha rx.
Two hands restorations recommended for you. Yamaha rx 100 led headlight change headlight assembly re modeling 6led light yamaha rx100 bike light change head light fixing re modeling head light assembly more video how to change.