Toyota 2kd Ecu Wiring Diagram

The picture below is the crankshaft marks that need to be lined up before you remove the timing belt.
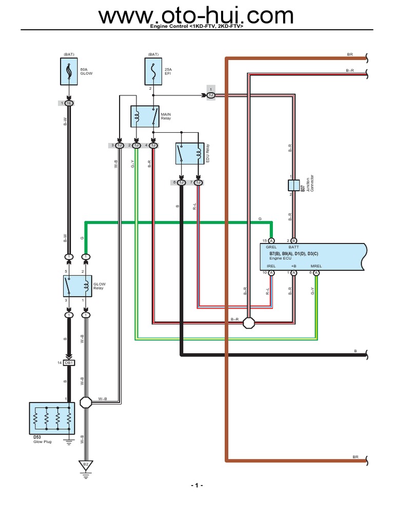
Toyota 2kd ecu wiring diagram. The data in this guide was assembled directly from the engine and electronic transmission control sections of the toyota factory service manual fsm wiring guides f. The construction operation and control of main crs components supply pump injectors rail. Toyota engine 5s fe 3s gte repair manual 11122013. Engine ecu 71 land cruiser prado engine ecu external wiring diagrams 1 operation section engine ecu external wiring diagrams 2 1 20 1 21 operation section engine ecu connector terminal layout operation.
Download ebook toyota 2kd engine timing diagram toyota 2kd engine timing diagram toyota 2kd engine timing diagram hi i can help. Toyota hilux hiace wiring diagram dfyr alkhrba ltoyota. Toyota 2kd ecu wiring diagram wiring diagrams 2000 toyota celica wiring diagram back in 1970 toyota released the celica line for the first time targeted to be an alternative for other toyotax27s sportscar the 2000gt. Toyota highlander 2014 service manual 18082015.
Toyota 1kz te engine repair manual 26102018. Toyota 2kd wiring diagrampdf free download ebook handbook textbook user guide pdf files on the internet quickly and easily. Online library toyota hilux diesel engine wiring diagram 2kd toyota hilux diesel engine wiring diagram 2kd toyota tdi swap wiring toyota engine harness working on the toyota side engine harness and connecting the vw harness to the toyota ignition. Please see the diagrams below for your timing marks.
Toyota corolla fr electric wiring diagram 11122013. Laser sensor communication abnormality vehicle ecu u1104 dss1 ecu communication abnormality vehicle ecu sensor 1 19 operation section 7. The above schematic just an illustration for the 20. Toyota 2kd ecu wiring diagram by facybulka posted on august 3 2015 wiring a switched outlet diagram ecu diagrams schematics switchwiring jobs in stoke on trent electrical diagram for three way switch.
As a result a portion of the common rail system crs equipped with the 1kd ftv and 2kd ftv engines has changed. Minor changes have been made to the toyota land cruiser prado dyna and imv. Wiring diagram ecu 2kd ftv free download as pdf file pdf text file txt or read online for free. Toyota land cruiser 19861998 2007 service manual 14122013.